设为首页加入收藏联系我们
欢迎光临多钦仪表(上海)有限公司官方网站!您是第187位访问者

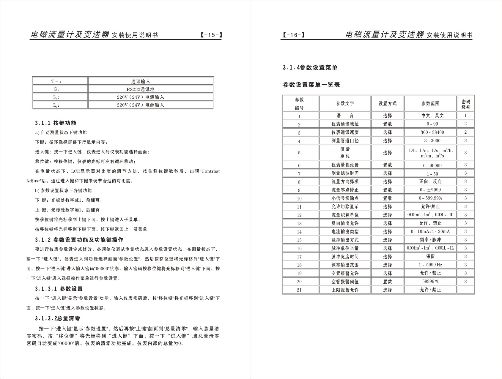
当前位置:新闻动态  >  技术支持  >  一体式电磁流量计接线图

> 新闻动态

一体式电磁流量计接线图

编辑:多钦仪表  发布时间:2019.07.17 10:06:46   来源:多钦仪表

多钦仪表(上海)有限公司专注于流量计与服务   技术之窗


一体式电磁流量计接线图:

兰申转换器:

电磁流量计接线图1

电磁流量计接线图2

 

选型报价联系: 17701683668 王小姐

关注&咨询
多钦仪表

QQ咨询
新浪微博
微信公众号
需要帮助