设为首页加入收藏联系我们
欢迎光临多钦仪表(上海)有限公司官方网站!您是第1086位访问者

当前位置:新闻动态  >  技术支持  >  电磁流量计兰申转换器说明书

> 新闻动态

电磁流量计兰申转换器说明书

编辑:多钦仪表  发布时间:2019.07.17 10:40:00   来源:多钦仪表

多钦仪表(上海)有限公司专注于流量计与服务   技术之窗


 

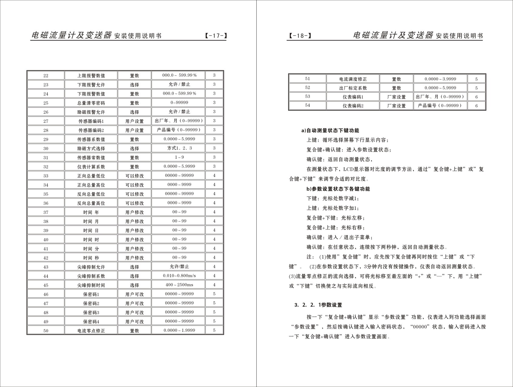
电磁流量计说明书,兰申转换器

 

 

流量计种类繁多,品种齐全,欢迎来电来函咨询。  17701683668 王小姐(微信同号)

 

 

关注&咨询
多钦仪表

QQ咨询
新浪微博
微信公众号
需要帮助