当前位置:产品中心 > 椭圆齿轮流量计 > 微小圆柱齿轮流量计
| 型 号: | DCL |
| 品 牌: | 多钦仪表 |
| 所属分类: | 椭圆齿轮流量计 |
| 所 在 地: | 上海 |
| 更新日期: | 2025.04.01 12:48:20 |
根据齿轮马达原理研发的一种新型容积式流量计,用于精密的连续或间断的测量管道中液体的流量或瞬间流量,适合于重油、聚乙烯醇、树脂等粘度较高介质的流量测量,微小流量即可准确计量。
一,概述:
根据齿轮马达原理研发的一种新型容积式流量计,用于精密的连续或间断的测量管道中液体的流量或瞬间流量,适合于重油、聚乙烯醇、树脂等粘度较高介质的流量测量,微小流量即可准确计量。
二,工作原理与结构:
流量计腔体内有一对互相啮合的齿轮作为转子,两个齿轮与腔体可以分别构成一个固定的体积,称为标准容积、流量就是通过计算一定时间内来流通过标准容积的个数来计量。如下图:

三,结构特点:
根据齿轮马达原理,测量齿轮由液流驱动。
• 齿轮在测量腔内无接触运行。采用低摩擦球轴承或滑动轴承。
• 齿轮的运动由位于盖板内的无接触的传感器检测。传感器室和计量器室之间安装了一块非磁性抗压隔板。
• 当计量机构转动一个齿时,传感器发出一个信号,对应一个齿容量 Vgz。
• 通过前置放大器将信号转换为方波信号。






出品单位: 多钦仪表(上海)有限公司
四,产品特性
• 针对各种应用,借助不同的间隙、不同的轴承类型及不同材料,CL 系列齿轮式流量计可实现不同介质的测量。
• 具有广泛的测量范围和多种规格,可以满足不同的需求。
• 在指定范围内,测量不受粘度影响。
• 低压降
• 高灵敏测量
• 高工作压力
• 低噪音
• 具有出色重复精度的高精度测量
• 在较广的温度范围内,输出信号不受温度影响
• 在低流速测量范围的下限依然能保持高精度
• 电子元件的高操作可靠性
• 前置放大器终端易于使用






五,技术指标
• 环境温度:–30°C – +60°C
• 介质温度:–60°C – +150°C
• 壳体材料:不锈钢316L
• 齿轮材料:不锈钢316L,德标不锈钢1.4122
• 轴 承:不锈钢球轴承,钨钢合金滑动轴承
• 最大允许杂质粒子介质尺寸(单位:µm):20µm
• 测量范围:0.005-100 L/min
• 精度(测量值):±0.5%当 ≥20 cSt 时
• 粘度:1~100000 cSt
• 最大圧损∆pmax:16bar(和介质粘度大小/流速大小有关)
• 最大耐压:40MPa
典型应用:

技术规格:

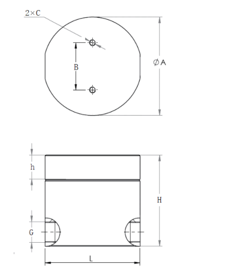
规格尺寸图:


型号规格:

多钦仪表技术服务团队专注于流量计近20年,特别推荐: 涡街流量计、电磁流量计、蒸汽流量计、气体流量计、椭圆齿轮流量计、金属管浮子流量计、超声波流量计等多种流量计的计量服务,特别是流量GPRS手机端、PC端数据在线监控等多方面技术服务。