当前位置:产品中心 > 椭圆齿轮流量计 > CL50型齿轮流量计
| 型 号: | CL50 |
| 品 牌: | 多钦仪表 |
| 所属分类: | 椭圆齿轮流量计 |
| 所 在 地: | 上海 |
| 更新日期: | 2025.04.01 12:24:56 |
连接螺纹: G3/4 始动流量: 0.1L/min 流量范围: 0.3-50L/min 本体材质: 316L不锈钢 耐压等级: 40Mpa
产品名称: CL50型齿轮流量计
产品型号: CL50
连接螺纹: G3/4
始动流量: 0.1L/min
流量范围: 0.3-50L/min
本体材质: 316L不锈钢
耐压等级: 40Mpa
出品单位: 多钦仪表(上海)有限公司






一,概述:
根据齿轮马达原理研发的一种新型容积式流量计,用于精密的连续或间断的测量管道中液体的流量或瞬间流量,适合于重油、聚乙烯醇、树脂等粘度较高介质的流量测量,微小流量即可准确计量。
二,工作原理与结构:
流量计腔体内有一对互相啮合的齿轮作为转子,两个齿轮与腔体可以分别构成一个固定的体积,称为标准容积、流量就是通过计算一定时间内来流通过标准容积的个数来计量。如下图:

三,结构特点:
根据齿轮马达原理,测量齿轮由液流驱动。
• 齿轮在测量腔内无接触运行。采用低摩擦球轴承或滑动轴承。
• 齿轮的运动由位于盖板内的无接触的传感器检测。传感器室和计量器室之间安装了一块非磁性抗压隔板。
• 当计量机构转动一个齿时,传感器发出一个信号,对应一个齿容量 Vgz。
• 通过前置放大器将信号转换为方波信号。






典型应用:

技术规格:

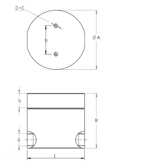
规格尺寸图:


型号规格:
